点赞
评论
收藏
分享
当前位置:
补足自身短板 华为新增两项电驱动专利
白鸽
原创 · 0浏览·2021-03-03 06:00[汽车之家 行业] 在对外宣传上,华为宣称自己要做智能汽车增量部件供应商,成为国内的博世。目前这家企业正在基于自身ICT技术,为自己构建全产业链优势。
近日,据天眼查信息显示,华为技术有限公司公开了两项名为“一种电驱动系统、动力总成以及电动车”的发明专利,涉及电子电路技术领域,公开号分别为CN112436747A和CN112436779A,申请日期均为2020年10月21日。

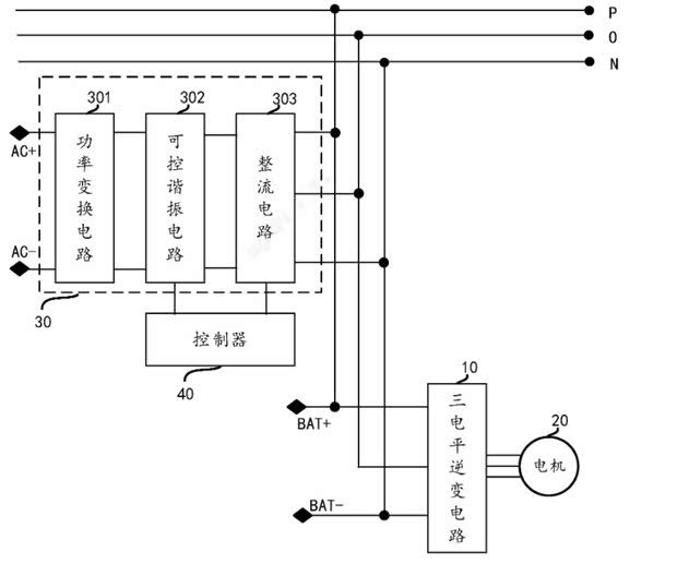
其中,公开号为CN112436747A的电驱动系统主要包括母线、车载充电机、三电平逆变电路和控制器。利用该电驱动系统,可以提升三电平逆变电路的母线中点点位均衡的调节能力。

另一个专利的电驱动系统,主要连接动力电池组,包括母线、三电平逆变电路、DC-DC变换电路和控制器,可降低电池体积和成本。
编辑点评:
业内皆知,三电技术,包括电池、电驱、电控,是新能源汽车区别于燃油车最核心的技术。华为这两项专利的申请,直接指明其已经在电动车的核心技术体系上有了自己的布局,具备了打造新能源电动汽车的核心技术。华为此前公告称3年内不造车,或许正是借此蓄积自身核心能力。(文/汽车之家 白鸽)
文章标签
点赞
评论
收藏
分享
举报/纠错
作者其他作品
扫码下载汽车之家App
© 2026 汽车之家 www.huanglqi.top
京公网安备 11010802000104号
京ICP备09113703号-1
信息网络传播视听节目许可证: 0110553
广播电视节目制作经营许可证
公司名称:北京车之家信息技术有限公司
中央网信办违法和不良信息举报中心
违法和不良信息举报电话:400-868-5856
举报邮箱:jubao@autohome.com.cn
京ICP备09113703号-1
信息网络传播视听节目许可证: 0110553
广播电视节目制作经营许可证
公司名称:北京车之家信息技术有限公司
中央网信办违法和不良信息举报中心
违法和不良信息举报电话:400-868-5856
举报邮箱:jubao@autohome.com.cn

